zurück zur Artikelliste
TAUCHTHERMOSTAT MIT FERNFÜHLER, EINSTUFIG
Data-Sheet
TAUCHTHERMOSTAT MIT FERNFÜHLER, EINSTUFIG
KTTH2
Anwendung
Unser Tauchthermostat ist geeignet für die Temperaturüberwachung und –regelung in Innenbereichen sowie in Verbindung mit einer Tauchhülse in Rohrleitungen.
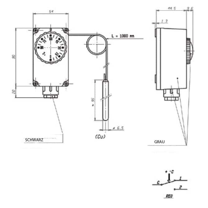
Technische Spezifikationen
| Einstellbereich: | 0°C...+90°C ±3°C |
| Schaltdifferenz: | Δt 4°C ±1°C |
| Max. Temperatur Gehäuse: | 80°C |
| Max. Temperatur Kapillare: | 150°C |
| IP Schutzart: | IP40 |
| Kontaktbelastung: | C1 10(2,5) A NC / 250 V C2 6(2,5) A NA / 250 V |
| Länge Kapillare: | 1000 mm |
| Tauchhülse Messing R 1/2”: | 7 x 8 x 100 mm |
Merkmale
| Typ | Schaltpunkt - Verstellung |
| KTTH2 | aussen |


